100张机械原理动态图,a大神也要研究几天,你都认识吗?
9

100张机械原理动态图,大神也要研究几天,你都认识吗?
▲轴承摩擦原理

100张机械原理动态图,大神也要研究几天,你都认识吗?
▲机械手臂

100张机械原理动态图,大神也要研究几天,你都认识吗?
▲涡轮变速箱

100张机械原理动态图,大神也要研究几天,你都认识吗?

100张机械原理动态图,大神也要研究几天,你都认识吗?
▲差速器

100张机械原理动态图,大神也要研究几天,你都认识吗?
球齿机机构

100张机械原理动态图,大神也要研究几天,你都认识吗?
来一张机械前言以前发过的老图,齿轮、梁板、凸轮、滑轨……看似简单的零部件,被天才工程师巧妙地组合到一起,就能精确完成各类复杂的工作。

100张机械原理动态图,大神也要研究几天,你都认识吗?
机械动态图用一种简短的动画方式清晰的表达出了机械动作、原理和制作过程,令人神往,堪称机械行业的最美写真图,喜欢机械人的往往看后喜欢的不得了!
飞机的星型发动机

100张机械原理动态图,大神也要研究几天,你都认识吗?
四冲发动机

100张机械原理动态图,大神也要研究几天,你都认识吗?
单曲轴对置活塞式发动机直升机

100张机械原理动态图,大神也要研究几天,你都认识吗?
双直列八缸蒸汽发动机

100张机械原理动态图,大神也要研究几天,你都认识吗?
凸轮导轨机构

100张机械原理动态图,大神也要研究几天,你都认识吗?
斯特林发动机

100张机械原理动态图,大神也要研究几天,你都认识吗?
水平对置发动机

100张机械原理动态图,大神也要研究几天,你都认识吗?
缝纫机

100张机械原理动态图,大神也要研究几天,你都认识吗?
机械手

100张机械原理动态图,大神也要研究几天,你都认识吗?

100张机械原理动态图,大神也要研究几天,你都认识吗?
滑块机构

100张机械原理动态图,大神也要研究几天,你都认识吗?
夹具

100张机械原理动态图,大神也要研究几天,你都认识吗?
飞机发动机

100张机械原理动态图,大神也要研究几天,你都认识吗?
破碎机

100张机械原理动态图,大神也要研究几天,你都认识吗?
凸轮式间歇运动机构

100张机械原理动态图,大神也要研究几天,你都认识吗?
带传动

100张机械原理动态图,大神也要研究几天,你都认识吗?
齿轮传动

100张机械原理动态图,大神也要研究几天,你都认识吗?
喜欢吗
小编想听到你的声音
最后再来一个能看分钟的动图

100张机械原理动态图,大神也要研究几天,你都认识吗?

100张机械原理动态图,大神也要研究几天,你都认识吗?
▲100多年前,古老自鸣钟的自动报时小鸟机构

100张机械原理动态图,大神也要研究几天,你都认识吗?
▲别小瞧一直原子笔,机械结构绝对不简单

100张机械原理动态图,大神也要研究几天,你都认识吗?
▲看到这个齿轮机构,心都碎了

100张机械原理动态图,大神也要研究几天,你都认识吗?
▲仔细看和琢磨才发现这个看似简单机构的奥妙

100张机械原理动态图,大神也要研究几天,你都认识吗?
▲凸轮还是齿轮?你分得清吗

100张机械原理动态图,大神也要研究几天,你都认识吗?
▲全自动小型冲锋枪的上弹、击发、退壳机构,看三分钟,才有完整连续的印象

100张机械原理动态图,大神也要研究几天,你都认识吗?
▲特殊的减速传动机构,有没有参考性?

100张机械原理动态图,大神也要研究几天,你都认识吗?
▲中学生用乐高积木营造的自动化世界

100张机械原理动态图,大神也要研究几天,你都认识吗?
▲周期性滑轨拨叉机构,巧妙而常用的机械结构

100张机械原理动态图,大神也要研究几天,你都认识吗?
▲细密的小型金属锁链就是这样高速形成的

100张机械原理动态图,大神也要研究几天,你都认识吗?
▲最清晰、完整的自动枪械(机枪)上弹、击发、退壳机构

100张机械原理动态图,大神也要研究几天,你都认识吗?
▲扭簧摆动机构,工程师既熟悉又陌生的机构

100张机械原理动态图,大神也要研究几天,你都认识吗?
▲连续摆、滑机构

100张机械原理动态图,大神也要研究几天,你都认识吗?
▲这一定是中国保定出品的机械手,保定府才玩铁球嘛

100张机械原理动态图,大神也要研究几天,你都认识吗?
▲鲁班自制飞鸟,骑乘游九州,不是传说哦

100张机械原理动态图,大神也要研究几天,你都认识吗?
▲让人发狂的异型齿轮机构,你能想象其中的三维啮合和运行状态吗

100张机械原理动态图,大神也要研究几天,你都认识吗?
▲除了炫技,这个齿轮机构实在没有卵用

100张机械原理动态图,大神也要研究几天,你都认识吗?
▲德国人菲加士·汪克尔在上世纪初发明的转子发动机

100张机械原理动态图,大神也要研究几天,你都认识吗?
▲数一数,这是多少缸、多少气门的发动机

100张机械原理动态图,大神也要研究几天,你都认识吗?
▲机械工程师给妻子的戒指,每次吵架狂怒可以转动几下静一静,败败火,结果……更抓狂了

100张机械原理动态图,大神也要研究几天,你都认识吗?
▲磁性软泥吞没小铁球,只要在软泥中添加细细的氧化铁粉就可以制成这样神奇的自带吞噬功能的磁性泥了。

100张机械原理动态图,大神也要研究几天,你都认识吗?
▲好麻利,看着手疼

100张机械原理动态图,大神也要研究几天,你都认识吗?
▲原来这就是装冰淇淋的蛋卷

100张机械原理动态图,大神也要研究几天,你都认识吗?
▲开锁过程原来是这样的

100张机械原理动态图,大神也要研究几天,你都认识吗?
▲火车头原理

100张机械原理动态图,大神也要研究几天,你都认识吗?
▲电梯门(原来电梯门是这样开关的啊)

100张机械原理动态图,大神也要研究几天,你都认识吗?
▲一排排子弹的自动生产过程

100张机械原理动态图,大神也要研究几天,你都认识吗?
▲红通通的玻璃瓶加工过程

100张机械原理动态图,大神也要研究几天,你都认识吗?
▲螺旋状的通心粉就是这样被制造出来的

100张机械原理动态图,大神也要研究几天,你都认识吗?
▲晾衣架一次成型

100张机械原理动态图,大神也要研究几天,你都认识吗?
▲一张图看懂电风扇的结构

100张机械原理动态图,大神也要研究几天,你都认识吗?
▲两种液体勾兑的神奇

100张机械原理动态图,大神也要研究几天,你都认识吗?
▲神奇的家具

100张机械原理动态图,大神也要研究几天,你都认识吗?
▲木质模仿水波

100张机械原理动态图,大神也要研究几天,你都认识吗?
▲星型发动机工作原理

100张机械原理动态图,大神也要研究几天,你都认识吗?
▲飞机的星形发动机

100张机械原理动态图,大神也要研究几天,你都认识吗?
▲缝纫机

100张机械原理动态图,大神也要研究几天,你都认识吗?
▲舰炮弹药装填系统

100张机械原理动态图,大神也要研究几天,你都认识吗?
▲汽车等速万向节

100张机械原理动态图,大神也要研究几天,你都认识吗?
▲V 型发动机 ——汽缸排列在成一定角度的两个平面上,V6发动机

100张机械原理动态图,大神也要研究几天,你都认识吗?
▲直列式发动机——它的汽缸肩并肩地排成一排,L4发动机,一般的车都用

100张机械原理动态图,大神也要研究几天,你都认识吗?
▲水平对置式发动机 ——汽缸排列在发动机相对的两个平面上,保时捷911用的是这种的6缸

100张机械原理动态图,大神也要研究几天,你都认识吗?
▲马耳他十字机芯——用于控制时钟的秒针运动

100张机械原理动态图,大神也要研究几天,你都认识吗?
▲斯特林发动机

100张机械原理动态图,大神也要研究几天,你都认识吗?
▲铁链制作原理

100张机械原理动态图,大神也要研究几天,你都认识吗?
▲拉链工作原理

100张机械原理动态图,大神也要研究几天,你都认识吗?
▲无管虹吸原理

100张机械原理动态图,大神也要研究几天,你都认识吗?
▲确认就这样悄悄的进村吗

100张机械原理动态图,大神也要研究几天,你都认识吗?
▲简直是脑洞大开,打火机和火柴结婚后

100张机械原理动态图,大神也要研究几天,你都认识吗?
▲这只手确认一直动下去,大拇指表示不满
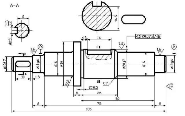
给你一张机械图纸,你认识多少?

100张机械原理动态图,大神也要研究几天,你都认识吗?